记里鼓车是一种会自动记载行程的车辆。记里鼓车是中国古代用于计算道路里程的车,由“记道车”发展而来。后来,因为加了行一里路打一下鼓的装置,故名“记里鼓车”,如图1和图2所示。记里鼓车发明于西汉初年,外形为一辆车子,车上设两个木人及一鼓一钟,木人一个司击鼓,一个司敲钟。车上装有一组减速齿轮,与轮轴相连。车行一里时,控制击鼓木人的中平轮正好转动一周,木人便击鼓一次;车行10里时,控制敲钟木人的上平轮正好转动一周,木人便敲钟一次。坐在车上的人只要聆听这钟鼓声,就可知道车已行了多少路程。

图1 汉代孝堂山画像石中的图 图2 中国历史博物馆收藏的复制品
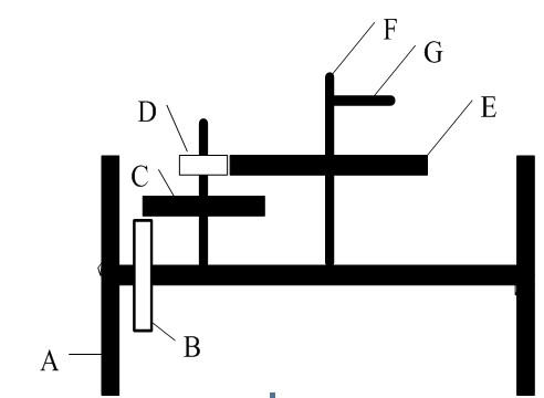
记里鼓车的结构图如图3和图4所示,立轮(齿轮B)附于左车轮(A),并与下平轮(齿轮C)相吻合。立轮齿数为18,而下平轮齿数为54,所以前者转一圈,后者才转1/3圈。铜旋风轮(D)与下平轮装在同一贯心竖轴之上,并与中立平轮(E)相吻合。铜旋风轮的齿数为3,而中立平轮的齿数为100;所以前者转一圈,后者才转3/100圈。车行一里(即为百步)车轮和立轮都转100圈,下平轮和铜旋风轮才转100/3圈,中立平轮(E)才转3/100×100/3=1圈。因此行车一里,竖轴B才转一圈,;行车十里,竖轴A才转一圈。而在这两个竖轴上,还各附装一个拨子。因此;行车一里,竖轴F上的拨子(G)便拨动上层木偶击鼓一次。

图3 侧视图 图4 实物图
记里鼓车的科学原理与现代汽车上的里程表基本相同。记里鼓车是近代里程表、减速器发明的先驱,计里鼓车是科学技术史上的一项重要贡献。